Product Summary
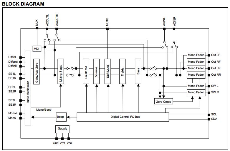
The TDA7404D is a high performance signal processor specificall designed for car radio applications. The TDA7404D includes a high performance audiopro-cessor with fully integrated audio filters. The digital control allows a programming in a wide range of all the filter characteristics. By the use of a BICMOS-process and a linear signal processing low distortion and low noise are obtained.
Parametrics
TDA7404D absolute maximum ratings: (1)Operating Supply Voltage, Vs: 10.8 V; (2)Operating Temperature Range, Tamb: -40 to 85℃; (3)Storage Temperature Range, Tstg: -55 to +150℃.
Features
TDA7404D features: (1)4 stereo inputs; (2)1 mono inputs; (3)SOFTSTEP-VOLUME; (4)Bass, treble and loudness control; (5)Direct mute and softmute; (6)Internal beep; (7)Four independent speaker-outputs; (8)Subwoofer stereo output; (9)Digital control: I2C-bus interface; audio-filter characteristics programmable.
Diagrams

| Image | Part No | Mfg | Description | ![]() |
Pricing (USD) |
Quantity | ||||
|---|---|---|---|---|---|---|---|---|---|---|
![]() |
![]() TDA7404D |
![]() STMicroelectronics |
![]() Audio DSPs Car Radio Signal |
![]() Data Sheet |
![]() Negotiable |
|
||||
![]() |
![]() TDA7404DTR |
![]() STMicroelectronics |
![]() Audio DSPs Car Radio Signal |
![]() Data Sheet |
![]() Negotiable |
|
||||
(China (Mainland))









