Product Summary
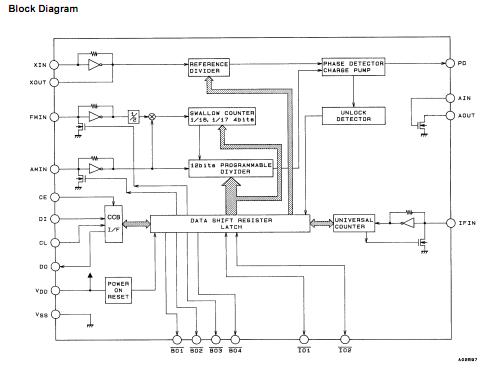
The LC72131 is a PLL frequency synthesizer for use in tuners in radio/cassette players. They allow high-performance AM/FM tuners to be implemented easily. It is sutiable for PLL frequency synthesizer.
Parametrics
LC72131 absolute maximum ratings: (1)Supply voltage, VDD max: -0.3 to +7.0 V; (2)Maximum input voltage, VIN1 max: -0.3 to +7.0 V; VIN2 max: -0.3 to VDD + 0.3 V; VIN3 max: -0.3 to +15 V; (3)Maximum output voltage, VO1 max: -0.3 to +7.0 V; VO2 max: -0.3 to VDD + 0.3 V; VO3 max: -0.3 to +15 V; (4)Maximum output current, IO1 max: 0 to 3.0 mA; IO2 max: 0 to 6.0 mA; IO3 max: 0 to 10.0 mA; (5)Allowable power dissipation, Pd max: 350mW; (6)Operating temperature, Topr: -40 to +85℃; (7)Storage temperature, Tstg: -55 to +125℃.
Features
LC72131 features: (1)High speed programmable dividers: FMIN: 10 to 160 MHz, pulse swallower (built-in divide-by-two prescaler); AMIN: 2 to 40 MHz, pulse swallower; (2)0.5 to 10 MHz, .direct division; (3)IF counter: IFIN: 0.4 to 12 MHz, AM/FM IF counter; (4)Reference frequencies: Twelve selectable frequencies (4.5 or 7.2 MHz crystal) 1, 3, 5, 9, 10, 3.125, 6.25, 12.5, 15, 25, 50 and 100 kHz; (5)Phase comparator: Dead zone control, Unlock detection circuit, Deadlock clear circuit; (6)Built-in MOS transistor for forming an active low-pass filter; (7)I/O ports: Dedicated output ports: 4, Input or output ports: 2, Support clock time base output; (8)Serial data I/O: Support CCB format communication with the system controller; (9)Operating ranges: Supply voltage: 4.5 to 5.5 V; Operating temperature: -40 to +85℃; (10)Packages: DIP22S/MFP20.
Diagrams

| Image | Part No | Mfg | Description | ![]() |
Pricing (USD) |
Quantity | ||||
|---|---|---|---|---|---|---|---|---|---|---|
![]() |
![]() LC72131 |
![]() Other |
![]() |
![]() Data Sheet |
![]() Negotiable |
|
||||
![]() |
![]() LC72131K |
![]() Other |
![]() |
![]() Data Sheet |
![]() Negotiable |
|
||||
![]() |
![]() LC72131KM |
![]() Other |
![]() |
![]() Data Sheet |
![]() Negotiable |
|
||||
![]() |
![]() LC72131M |
![]() Other |
![]() |
![]() Data Sheet |
![]() Negotiable |
|
||||
(China (Mainland))









