Product Summary
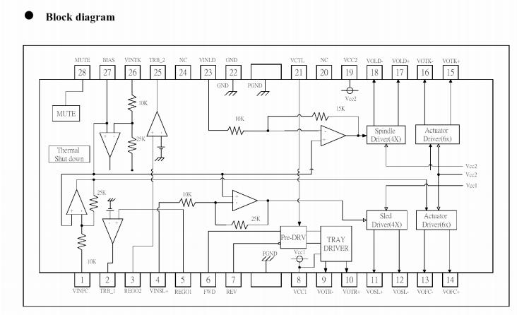
The AM5888 is a five-channel BTL driver IC for driving the motors and actuators such as used in DVD player and consists of two independent precision voltage regulators with adjustable range from 1.5V to 4V. It supports a variety of applications. Also, Pb free package is selectable. The AM5888 is suitable for BTL drive for CD, CD-ROM and DVD.
Parametrics
AM5888 absolute maximum ratings: (1)supply voltage, VCC1, VCC2: 13.5V; (2)power dissipation, Pd: 1.7W; (3)operating temperature range, Topr: -35 to 85℃; (4)storage temperature, Tstg: -55 to 150℃.
Features
AM5888 features: (1)two channels are voltage-type BTL drivers for actuators of tracking and focus. Two channels are voltage-type BTL driver for sled and spindle motors. It is also built-in one channel bi-direction DC motor driver for tray; (2)wide dynamic range wheN VCC1=VCC2=12V, at RL=20Ω load; (3)separating power of VCC1 and VCC2 is to improve power efficiency by a low supply voltage for tracking, focus, and spindle; (4)level shift circuit built-in; (5)thermal shut down circuit built-in; (6)mute mode built-in.
Diagrams

![]() |
![]() AM5868S |
![]() Other |
![]() |
![]() Data Sheet |
![]() Negotiable |
|
||||
(China (Mainland))








