Product Summary
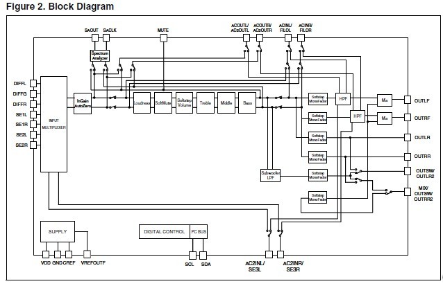
The TDA7419 is a high performance signal processor specifically designed for car radio applications. The TDA7419 includes a high performance audio processor with fully integrated audio filters. The digital control of TDA7419 allows programming in a wide range of filter characteristics. By the use of BICMOS-process and linear signal processing low distortion and low noise are obtained.
Parametrics
TDA7419 absolute maximum ratings: (1)Operating Supply Voltage, Vs: 10.5V; (2)Operating Temperature Range, Tamb: -40 to 85℃; (3)Storage Temperature Range, Tstg: -55 to +150℃.
Features
TDA7419 features: (1)4 stereo inputs; (2)soft step volume; (3)bass, middle, treble and loudness; (4)direct mute and softmute; (5)four independent speaker outputs; (6)SUB woofer output; (7)soft step speaker/subwoofer control; (8)7 bands spectrum analyzer; (9)digital control: I2C-bus interface.
Diagrams

| Image | Part No | Mfg | Description | ![]() |
Pricing (USD) |
Quantity | ||||||||||||
|---|---|---|---|---|---|---|---|---|---|---|---|---|---|---|---|---|---|---|
![]() |
![]() TDA7419TR |
![]() STMicroelectronics |
![]() Audio Amplifiers 5 Band Car Audio Processor 8-10V |
![]() Data Sheet |
![]()
|
|
||||||||||||
![]() |
![]() TDA7419 |
![]() STMicroelectronics |
![]() Audio Amplifiers 4 Band Car Audio Processor 8-10V |
![]() Data Sheet |
![]()
|
|
||||||||||||
(China (Mainland))









