Product Summary
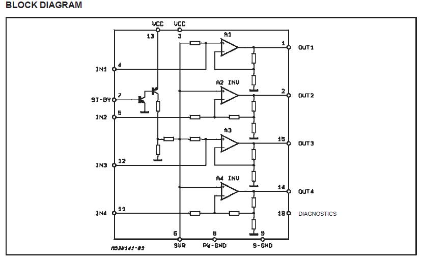
The TDA7377 is a new technology class AB car radio amplifier. The TDA7377 is able to work either in DUAL BRIDGE or QUAD SINGLE ENDED configuration. The exclusive fully complementary structure of the output stage and the internally fixed gain guarantees the highest possible power performances with extremely reduced component count. The TDA7377 gains compression operation. The fault diagnostics makes it possible to detect mistakes during car radio set assembly and wiring in the car.
Parametrics
TDA7377 absolute maximum ratings: (1)Vop, Operating Supply Voltage: 18V; (2)VS, DC Supply Voltage: 28V; (3)Vpeak, Peak Supply Voltage (for t = 50ms:) 50V; (4)IO, Output Peak Current (not repetitive t = 100μs): 4.5A; (5)IO, Output Peak Current (repetitive f > 10Hz): 3.5A; (6)Ptot, Power Dissipation (Tcase= 85℃): 36W; (7)Tstg, Tj, Storage and Junction Temperature: -40 to 150℃.
Features
TDA7377 features: (1)high output power capability: 2 x35Wmax/ 4Ω; 2 x30W/ 4Ω EIAJ; 2 x30W/ 4Ω EIAJ; 2 x 20W/4Ω @14.4V, 1KHz, 10%; 4 x6W/4Ω @14.4V,1KHz, 10%; 4 x 10W/2Ω @14.4V, 1KHz, 10%; (2)minimum external components count: no bootstrap capacitors; no boucherot cells; internally fixedgain (26dB BTL); (3)st-by function (CMOS compatible); (4)no audible pop during st-by operations; (5)diagnostics facility for: clipping; outto GND short; outto Vs short; softshort at turn-on; thermal shutdown proximity.
Diagrams

| Image | Part No | Mfg | Description | ![]() |
Pricing (USD) |
Quantity | ||||
|---|---|---|---|---|---|---|---|---|---|---|
![]() |
![]() TDA7377 |
![]() STMicroelectronics |
![]() Audio DSPs 2X35W Pwr Amplifier |
![]() Data Sheet |
![]() Negotiable |
|
||||
![]() |
![]() TDA7377A |
![]() STMicroelectronics |
![]() Audio DSPs INFOTAINMENT S PWR |
![]() Data Sheet |
![]() Negotiable |
|
||||
(China (Mainland))









