Product Summary
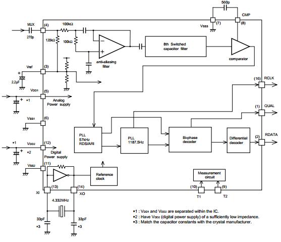
The BU1924 is a RDS/RBDS decoder that employ a digital PLL and has a built-in anti-aliasing filter and an eight-stage BPF (switched-capacitor filter). Linear CMOS circuitry is used for low power consumption. The applications of the BU1924 include RDS/RBDS compatible FM receivers for American and European markets, car stereos, high-fidelity stereo systems and components, and FM pagers.
Parametrics
BU1924 absolute maximum ratings: (1)Power supply voltage, VDD: -0.3 to +7.0 V; (2)Maximum input voltage, VMax: -0.3 to VDD+0.3 V; (3)Maximum output voltage, IMax: ±4.0 mA; (4)Power dissipation, Pd: 350 mW; (5)Operating temperature, Topr: -40 to +85℃; (6)Storage temperature, Tstg: -55 to +125℃.
Features
BU1924 features: (1)Low current; (2)Two-stage anti-aliasing filter (LPF); (3)57kHz band-pass filter; (4)DSB demodulation (digital PLL); (5)Quality indication output for demodulated data.
Diagrams

| Image | Part No | Mfg | Description | ![]() |
Pricing (USD) |
Quantity | ||||
|---|---|---|---|---|---|---|---|---|---|---|
![]() |
![]() BU1924F |
![]() Other |
![]() |
![]() Data Sheet |
![]() Negotiable |
|
||||
![]() |
![]() BU1924 |
![]() Other |
![]() |
![]() Data Sheet |
![]() Negotiable |
|
||||
(China (Mainland))









