Product Summary
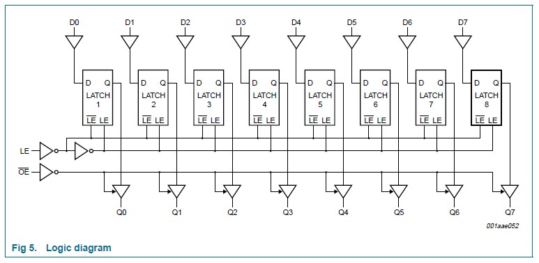
The 74HC373D is a 3-state Octal D-type transparent latch. The 74HC373D is a high-speed Si-gate CMOS device and is pin compatible with low power Schottky TTL (LSTTL). It is specified in compliance with JEDEC standard no. 7A. The 74HC373D is an octal D-type transparent latche featuring separate D-type inputs for each latch and 3-state outputs for bus oriented applications. A latch enable (LE) input and an output enable (OE) input are common to all latches.
Parametrics
74HC373D absolute maximum ratings: (1)supply voltage: -0.5 to +7 V; (2)input clamping current: ±20 mA at VI < -0.5 V or VI > VCC + 0.5 V; (3)output clamping current: ±20 mA at VO < -0.5 V or VO > VCC + 0.5 V; (4)output current: ±35 mA at VO = -0.5 V to VCC + 0.5 V; (5)quiescent supply current: ±70 mA; (6)ground current: -70 mA; (7)storage temperature: -65 to +150 ℃; (8)total power dissipation: DIP20 package: 750 mW, SO20 package: 500 mW, (T)SSOP20 package: 500 mW, DHVQFN20 package: 500 mW.
Features
74HC373D features: (1)3-state non-inverting outputs for bus oriented applications; (2)Common 3-state output enable input; (3)Functionally identical to the "563", "573" and "533"; (4)Output capability: bus driver; (5)ICC category: MSI.
Diagrams

| Image | Part No | Mfg | Description | ![]() |
Pricing (USD) |
Quantity | ||||||||||||
|---|---|---|---|---|---|---|---|---|---|---|---|---|---|---|---|---|---|---|
![]() |
![]() 74HC373D |
![]() NXP Semiconductors |
![]() Latches OCTAL D LATCH 3STATE |
![]() Data Sheet |
![]() Negotiable |
|
||||||||||||
![]() |
![]() 74HC373D,652 |
![]() NXP Semiconductors |
![]() Latches OCTAL D LATCH 3STATE |
![]() Data Sheet |
![]()
|
|
||||||||||||
![]() |
![]() 74HC373D,653 |
![]() NXP Semiconductors |
![]() Latches OCTAL 3-STATE LATCH |
![]() Data Sheet |
![]()
|
|
||||||||||||
![]() |
![]() 74HC373DB,118 |
![]() NXP Semiconductors |
![]() Latches OCTAL 3-STATE LATCH |
![]() Data Sheet |
![]()
|
|
||||||||||||
![]() |
![]() 74HC373DB,112 |
![]() NXP Semiconductors |
![]() Latches OCTAL 3-STATE LATCH |
![]() Data Sheet |
![]()
|
|
||||||||||||
![]() |
![]() 74HC373DB |
![]() NXP Semiconductors |
![]() Latches OCTAL 3-STATE LATCH |
![]() Data Sheet |
![]() Negotiable |
|
||||||||||||
![]() |
![]() 74HC373DTR2G |
![]() ON Semiconductor |
![]() Latches OCTAL 3ST NONINVERT TRANSPARENT LATCH |
![]() Data Sheet |
![]()
|
|
||||||||||||
![]() |
![]() 74HC373DB-T |
![]() NXP Semiconductors |
![]() Latches OCTAL 3-STATE LATCH |
![]() Data Sheet |
![]() Negotiable |
|
||||||||||||
(China (Mainland))










